技術紹介(BMS技術)
BMS Technical Profile
BMS Technical Profile
バッテリーマネジメントシステム(BMS)とは、リチウムイオン電池などの充電型のニ次電池の安全制御を行うシステムのことを指します。
今回、ご紹介するバッテリーマネジメントシステム(BMS)は、主に電気自動車やハイブリッドカーなどに搭載される車載用リチウムイオン電池を中心にあらゆる二次電池において活躍しています。
二次電池(充電型の電池)の中でもエネルギー密度が高く、自動車のバッテリーなどにも使用されるリチウムイオン電池は、そのエネルギーとしての利便性の高さの反面、その製造技法および構造、取り扱いを誤ると発煙発火や感電といった重大な問題を起こす可能性があり、安全な取り扱いが要求されます。そのリチウムイオン電池の安全性を確保する為に、バッテリーマネージメントシステム(BMS)が重要な機能となります。
TOPBANDのBMSは、モバイル機器・家電製品・通信機器・産業用動力機器・蓄電システム・データサーバー・車載用途など、多様なアプリケーションに対応しています。
お客様の仕様に合わせ、リチウムイオン電池の特性を最大限に引き出す制御回路設計やカスタム開発を提供し、最適なバッテリーソリューションを実現します。
|
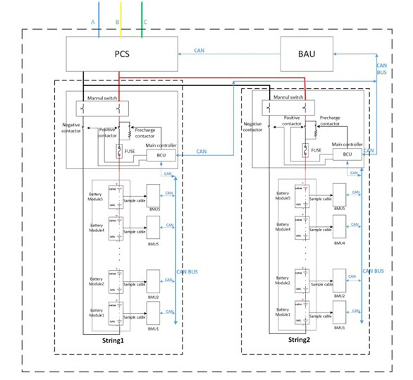
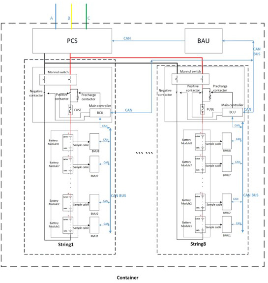
①モジュール化:統合コントール、メインコントロール、スレイブコントロール、HMI ②システム電圧:1500Vサポート ③複数通信種類:CAN/RS485/イーサネットなど ④インテリジェントSOXアルゴリズム:Topbandクラウド/ビッグデータ分析/故障警報/SOXアルゴリズム ⑤高精度サンプル取得とリアルタイムモニター |
|---|
|
①電池組み給電:BCU、BMU、DCコンタクターに24VDCで給電 ②給電方式:AC~220V給電orDC24V給電 ③検測機能:電池組み電圧、電流、絶縁状態などの検測 ④回路緩衝、回路保護、交渉検知など ⑤PCS、EMSと通信 |
|---|

Battery Array Unit

Battery Cluster Unit

HMI(7 inches)

HMI(10.1 inches)

Battery Disconnect Unit

12 series active / passive balanced Battery Management Unit

16/24 series active / passive balanced Battery Management Unit

36 series passive balanced Battery Management Unit

48 series passive balanced Battery Management Unit

60 series passive balanced Battery Management Unit
| Item | Spec | ||||
|---|---|---|---|---|---|
| BESS SPEC | Norminal Voltage | 768V | |||
| Norminal capacity | 200Ah | ||||
| DC Block | 2P240S | ||||
| Discharge Rate | 0.5C | ||||
| Work current | 0.5C | ||||
| PACK module | String and Parallel | 1P48S | |||
| Norminal Voltage | 753.6V | ||||
| Norminal capacity | 200Ah | ||||
| Cell | Material | LFP | |||
| Norminal Voltage | 3.2V | ||||
| Norminal capacity | 280Ah | ||||
| BMU-48S | 5 PCS | ||||
| BCU | 1 PCS |